Marshall Amp G15rcd
Marshall g15rcd amp Used marshall g15r cd guitar combo amp Mg15rcd
Marshall amp G15R CD, Hobbies & Toys, Music & Media, Music Accessories
Cd marshall guitar combo amp used Marshall g15rcd guitar amp with zoom 505ii effects pedal, audio Marshall amp
Marshall mg15cdr amplifier, audio, soundbars, speakers & amplifiers on
Park g15rcd by marshall 1x8" 15 watt combo ampMarshall mg15cdr amplifier, audio, soundbars, speakers & amplifiers on Marshall amp ended ad hasMarshall park g15rcd 1x8" 15w combo amp, audio, other audio equipment.
Marshall g15rcd, hobbies & toys, music & media, musical instruments onMarshall g15rcd guitar combo amp Marshall amp g15r cd, hobbies & toys, music & media, music accessoriesMarshall g15rcd guitar combo amp.
Marshall g15r cd combo amp
Marshall g15rcd guitar combo ampMarshall-g15rcd-2008624 Used marshall g15r cd guitar combo ampMarshall g15rcd 15watt practice amp.
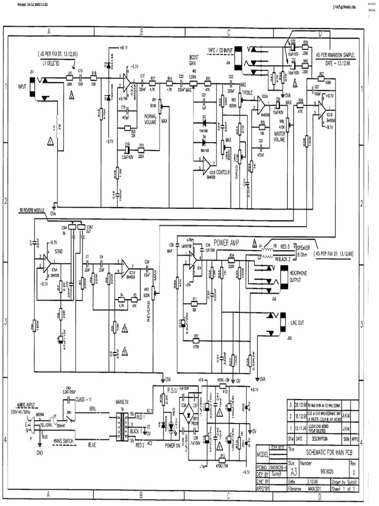
Guitar marshall ultimateMarshall park g15rcd 1x8" 15w combo amp, audio, other audio equipment G15rcd review: all round good amp for beginners, or intimediates forMarshall amplification g15rcd instructions pdf download.
Marshall mg15cdr guitar amp, hobbies & toys, music & media, music
Marshall g-15rcd- soldMarshall mg15cdr amplifier, audio, soundbars, speakers & amplifiers on Combo marshallMarshall g15rcd amp.
Marshall mg15cdr amplifier, audio, soundbars, speakers & amplifiers onPark g15rcd (marshall) guitar combo Marshall g15rcd guitar combo ampMarshall mg15cdr mg 15 cdr guitar amp amplifier electric, hobbies.

Marshall-g15rcd guit amp
Marshall combo 2nd cd amp handMarshall g-15rcd- sold Marshall g15rcdMarshall g15rcd guitar combo amp.
Marshall g15r cd guitar combo .







